Dessins techniques pour Rover GT 125cc noir mat
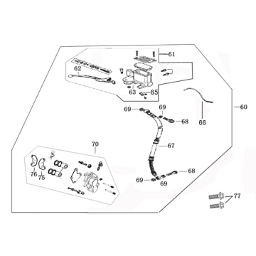
Cliquez ici sur les dessins techniques ou en vue éclatée du scooter Rover GT 125cc noir mat pour lequel vous recherchez des pièces ou des accessoires. Les dessins techniques de la Rover GT 125cc noir mat vous donnent un aperçu clair des différentes pièces de montage et accessoires. En recherchant vos pièces, vous aurez toujours des pièces adaptées pour votre Rover GT 125cc noir mat


